Hi,
Yes, it is possible to make an Arduino Uno and a NanoPi NEO talk to each other thru their RX and TX pins.
However you have to face few problems.
First of all, the NanoPi NEO provides and reads 3.3V digital signals while the Arduino Uno provides and reads 5V digital signals. A 5V RX input could read a 3.3V TX output, but a 3.3V RX input cannot stand high levels from a 5V output.
On the other hand, the RX and TX pins on Arduino Uno are already connected to the internal USB interface thru 1kΩ resistors -- on genuine Unos and 100% compatible clones.
If the USB interface is idle, the RX input is pulled-up to 5V when no external device is connected to the pin. As a result, an external device has to sink 5 mA to pull this input down to GND -- 5 mA is the maximum output current on the NanoPi NEO.
If the USB interface is active, the RX could sometimes be pulled-down to GND when no external device is connected to the pin. As a result, an external 5V device may have to source 5 mA to pull this input up to 5V, and an external 3.3V device may have to source 3.3 mA to pull this input up to 3.3V.
Moreover, the signal received on the RX pin from an external device is transmitted to the PC the USB interface is connected to.
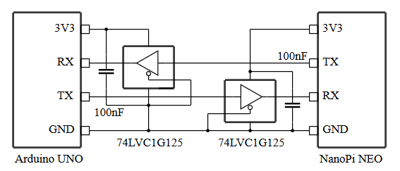
To make the serial communication possible, you have to insert a level translation circuit between the Arduino Uno and the NanoPi NEO. However, most of the bi-directional translator circuits (such as the 1-mosfet common-gate translators) are not appropriate because of the USB interface connection. Instead, you should use uni-directional translators such as
74LVC1G125 or
74LVC2G125 logic gates supplied with a 3.3V Vcc.

- ArduinoUno2NanoPiNEO.png (10.08 KiB) Viewed 10347 times