Power & Source of Big Ideas

NEO Core 2 USB

Moderators: chensy, FATechsupport

Hello!

I need help connecting USB devices to NEO Core 2. After connecting any device to any of the USB ports on the board, errors appear in the dmesg:
[ 12.250608] usb 8-1: device descriptor read/64, error -62
[ 12.554609] usb 8-1: device descriptor read/64, error -62
[ 12.854637] usb 8-1: new low-speed USB device number 7 using ohci-platform
[ 13.050615] usb 8-1: device descriptor read/64, error -62
[ 13.358628] usb 8-1: device descriptor read/64, error -62
[ 13.474712] usb usb8-port1: attempt power cycle
[ 13.978623] usb 8-1: new low-speed USB device number 8 using ohci-platform
[ 14.394613] usb 8-1: device not accepting address 8, error -62
[ 14.586615] usb 8-1: new low-speed USB device number 9 using ohci-platform
[ 15.002615] usb 8-1: device not accepting address 9, error -62
[ 15.008555] usb usb8-port1: unable to enumerate USB device
At the moment the USB camera is connected to the port. I tried to load modules into modprobe and different drivers, but the problem is not in them. The problem seems to be hardware and related to the USB port on the board. The same errors appear when i connect a flash drive. I tried Ubuntu and nanopi-neo-core2_sd_friendlycore-xenial_4.14_arm64_20190430.img.
The problem is the same as in this topic:
viewtopic.php?f=61&t=2566&p=7203&hilit=dmesg+usb#p7203
Only with a different board. It seems that these are really hardware errors
Has anyone encountered such a problem and how was it resolved?
Vadim wrote:
I tried to load modules into modprobe and different drivers, but the problem is not in them.
Has anyone encountered such a problem and how was it resolved?


How do you power your board?

Did you try to run Armbian?
https://www.armbian.com/nanopi-neo-core-2-lts/
igorp wrote:
How do you power your board?
Did you try to run Armbian?
https://www.armbian.com/nanopi-neo-core-2-lts/



I've tried different board connections. Both from USB and laboratory power supplies directly to +5V.
After your question I tried Armbian. The result was the same.
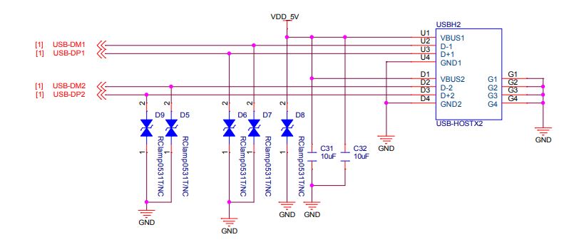
I found out what the problem was and found an error in the board schematics. This applies not only to the Nano Core 2, but also to other boards where there is no USB connector, but only the pins. And even other manufacturers. When they don't make a USB connector, they make direct lines from the controller to the pins, without any protection. In particular, they do not install ESD and because of this the device does not work.
FriendlyARM technical support asked me a question about using their mini-shield. This led me to look at the schematics of both the Neo Core 2 and the Shield. FA for USB ports uses ESD "RClamp0531T", other manufacturers most often "ESL100503". I have attached an image of the USB schematic to this post.
I had to make a similar scheme, only on the components available to me (instead of RClamp0531T or ESL100503, I used PESD5V0S1BA.115) and the flash drives worked. There is still a problem with the camera. Looking for a solution further.

Attachments

Vadim wrote:
igorp wrote:
How do you power your board?
Did you try to run Armbian?
https://www.armbian.com/nanopi-neo-core-2-lts/



I've tried different board connections. Both from USB and laboratory power supplies directly to +5V.
After your question I tried Armbian. The result was the same.
I found out what the problem was and found an error in the board schematics. This applies not only to the Nano Core 2, but also to other boards where there is no USB connector, but only the pins. And even other manufacturers. When they don't make a USB connector, they make direct lines from the controller to the pins, without any protection. In particular, they do not install ESD and because of this the device does not work.
FriendlyARM technical support asked me a question about using their mini-shield. This led me to look at the schematics of both the Neo Core 2 and the Shield. FA for USB ports uses ESD "RClamp0531T", other manufacturers most often "ESL100503". I have attached an image of the USB schematic to this post.
I had to make a similar scheme, only on the components available to me (instead of RClamp0531T or ESL100503, I used PESD5V0S1BA.115) and the flash drives worked.


OK, what a weird issue. I will try to recreate it once I find board and time.

Vadim wrote:
There is still a problem with the camera. Looking for a solution further.


USB camera?
igorp wrote:

USB camera?


Yeah, of course
Vadim wrote:
igorp wrote:

USB camera?


Yeah, of course


Did you manage to connect and use the camera?

Who is online

In total there are 26 users online :: 0 registered, 0 hidden and 26 guests (based on users active over the past 5 minutes)
Most users ever online was 13606 on Thu Mar 26, 2026 3:27 pm

Users browsing this forum: No registered users and 26 guests